首  页 公司简介 产品展示 产品目录 联系我们 新闻中心 电子邮局
 
管道设备系列
  洗眼器
  视镜
  阻火器
混合设备系列
  喷射混合器
  静态混合器
  汽水混合器
  混合机
  搅拌机
过滤设备系列
  Y/T型篮式过滤器
  反冲洗过滤器
  自清洗过滤器
  过滤器
  空气过滤器
  高效磁式过滤器
  离子交换器
专用设备
  喷射器
  捕捉器/计量箱/脱气塔
  加药装置
  除尘器
  点阀箱
  取样冷却器
  在线式采样器
  密闭式采样器
  罐下采样器
  消音器
  排水器
  硫封器
 
 
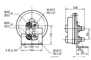
采样器结构图

采样器 | 密闭采样器 | 罐下采样器取样冷却器 加入时间:2017-8-20 16:46:58  点击:
CYQ系列采样器参考UOP技术设计制造,适用于石油、化工装置中对管道内的工艺状况下各种介质,尤其是有毒、易燃、易爆等危害性的中、低压气、液介质的无泄漏采样。样品真实性强,准确性高,无残液、残气排放。有效地防止有毒、有害介质对操作者的伤害。同时不会污染环境,避免了易燃、易爆介质在采样时可能造成的危险事故。符合国家对环保和防火、防爆规范的要求。 
CYQ系列采样器已在国内石油化工工艺装置,如渣油加氢、重油催化、气体分馏等装置中采用,获得了一致好评。我公司生产的CYQ系列采样器主要有CYQL型在线式采样器、CYQ-M型密闭式采样器 和CYQN型采样冷却器三大类。用户可以根据不同的工艺要求选用不同的采样器。各采样器主体材质均为1Crl8Ni9Ti或Crl8Ni9Ti。

一、 CYQR型高效螺旋冷却采样器

结构特点
CYQR型高效螺旋冷却采样器系高效螺旋换热器,100%逆流换热,传热效率高,冷却效果好,具有结构紧凑、重量轻、清洗方便、使用寿命长等特点。它除了广泛应用于各种流体物料的取样冷却外,还可做为石油、化工、冶金、轻工、电力等部门的小型加热、换热,冷却器也可做为油泵的自封冷却器。
[ 其它相关文章 ]
 
南通沃尔驰石化工程有限公司 地址:启东市汇龙镇中央河中路691号 邮编:226200
电话:0513-83325673 传真:0513-83119878 手机:13862978163
http://www.nt-bw.com E-mail:13862978163@126.com 采样器 | 密闭采样器 | 罐下采样器取样冷却器