首  页 公司简介 产品展示 产品目录 联系我们 新闻中心 电子邮局
 
管道设备系列
  洗眼器
  视镜
  阻火器
混合设备系列
  喷射混合器
  静态混合器
  汽水混合器
  混合机
  搅拌机
过滤设备系列
  Y/T型篮式过滤器
  反冲洗过滤器
  自清洗过滤器
  过滤器
  空气过滤器
  高效磁式过滤器
  离子交换器
专用设备
  喷射器
  捕捉器/计量箱/脱气塔
  加药装置
  除尘器
  点阀箱
  取样冷却器
  在线式采样器
  密闭式采样器
  罐下采样器
  消音器
  排水器
  硫封器
 
 
采样器图纸

采样器 | 密闭采样器 | 罐下采样器取样冷却器 加入时间:2017-8-20 16:45:02  点击:
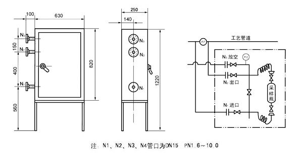
1、CYQM-IA型液体密闭式采样器
适用范围:适用于各种有毒、有害、易燃、易爆等各种液体介质的采样。
技术参数:采样温度:-20~60℃,设计压力:0~10.0MPa,采样量:100ml
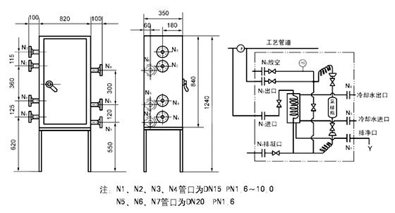
2、CYQM-IB型液体密闭式采样器(带冷却器)
适用范围:适用于各种有毒、有害、易燃、易爆等各种液体介质的采样。
技术参数:采样温度:-20~400℃,设计压力:0~10.0MPa,采样量:100ml
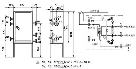
3、CYQM-IIA型气体密闭式采样器
适用范围:适用于各种有毒、有害、易燃、易爆等各种液体介质的采样。
技术参数:采样温度:-20~50℃,设计压力:0~10.0MPa,采样量:200ml-500ml
4、CYQM-IIB型气体密闭式采样器(带冷却器)
适用范围:适用于各种有毒、有害、易燃、易爆等各种液体介质的采样。
技术参数:采样温度:-20~400℃,设计压力:0~10.0MPa,采样量:200ml-500ml
[ 其它相关文章 ]
 
南通沃尔驰石化工程有限公司 地址:启东市汇龙镇中央河中路691号 邮编:226200
电话:0513-83325673 传真:0513-83119878 手机:13862978163
http://www.nt-bw.com E-mail:13862978163@126.com 采样器 | 密闭采样器 | 罐下采样器取样冷却器