首 页
公司简介
产品展示
产品目录
联系我们
新闻中心
电子邮局
管道设备系列
洗眼器
视镜
阻火器
混合设备系列
喷射混合器
静态混合器
汽水混合器
混合机
搅拌机
过滤设备系列
Y/T型篮式过滤器
反冲洗过滤器
自清洗过滤器
过滤器
空气过滤器
高效磁式过滤器
离子交换器
专用设备
喷射器
捕捉器/计量箱/脱气塔
加药装置
除尘器
点阀箱
取样冷却器
在线式采样器
密闭式采样器
罐下采样器
消音器
排水器
硫封器
管道过滤器
Y型过滤器
|
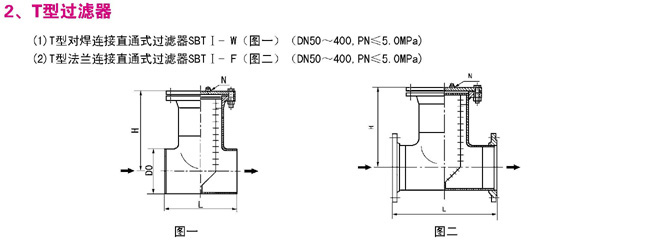
T型过滤器
|
篮式过滤器
|
临时过滤器
|
气体过滤器
|
南通沃尔驰石化工程有限公司 地址:启东市汇龙镇中央河中路691号 邮编:226200
电话:0513-83325673 传真:0513-83119878
手机:13862978163
http://www.nt-bw.com E-mail:
13862978163@126.com
采样器
|
密闭采样器
|
罐下采样器
|
取样冷却器